Гибридный источник бесперебойного питания Any Power APS 1012 1000W 12 V с внешними аккумуляторами, 1 кВт

Катаклизмы происходящие в электросетях Украины вынуждают задумываться как защитить себя от веерных отключений электроэнергии.Как оптимально подойти к этому вопросу?Решить эту задачу можно несколькими способами:

  • установить бензиновый генератор, дизельгенератор или газогенератор;
  • установить источник альтернативной энергии (использование энергии ветра, солнца, воды и т.д) ;
  • смонтировать систему бесперебойного питания;

Бесперебойник гибридный, Any Power APS 1012 1000W 12 V, купить, недорого, с доставкой, Киев, Одесса, Днепропетровск, Запорожье, Харьков, Тернополь, Измаил

В данной статье мы рассмотрим как своими руками или с помощью квалифицированных специалистов установить систему бесперебойного питания используя гибридный ИБП Any Power APS 1012 1000W 12 V , мощность которого 1000 Вт или 1 кВт. Такой мощности как правило хватает, чтобы обеспечить напряжением основных потребителей в доме: котел отопления,  освещение, холодильник.

Основные характеристики ИБП Any Power APS 1012 1000W 12V

Максимальная мощность-1000 Вт 
Перегрузочная способность-300%/3 сек
Диапазон стабилизации напряжения-153-263 В
Диапазон выходного напряжения-220 ± 5% В
Частота выходного напряжения-50 Гц
Время переключения на батарею-5 мсек
Габариты (ШхГхВ) - 461х217х179 мм
Вес -14,8 кг
Наличие АКБ — поставляется отдельно
Зарядный ток-35 А
Напряжение-12 В
Байпас без подключения батареи — есть
Форма выходного напряжения — чистая синусоида
Возможность использования нескольких батарей — да
 
Схема подключения гибридного источника бесперебойного питания с чистой синусоидой и встроенным  стабилизатором Any Power APS 1012 1000W 12V

Бесперебойник 1 кВт, Any Power APS 1012 1000W 12V, купить, цена, отзывы, с внешней АКБ, Киеве, Днепропетровске, Одессе, Чернигов, Старобельск, Хмельницкий



Основные преимущества ИБП для котла, насоса отопления Any Power APS 1012 1000W 12V, Line-Interactive с правильной синусоидой :

  • выдерживает перегрузки до 300% от номинальной мощности
  • ECO-режим максимально снижает потребление электроэнергии при отсутствии нагрузки
  • задержка в 15 с перед переключением питания с аккумулятора на сеть
  • может работать в паре с электрогенератором
  • скорость переключения между сетью и батареей - 5-10 мс., что исключает проседание мощности в момент переключения
  • зарядное устройство 35 А быстро заряжает любую аккумуляторную батарею
  • ручные переключатели батарея-сеть и вкл.-откл., порт USB
  • 17 информационных и предупреждающих сигналов работы
  • многоуровневая защита от перенапряжения, перегрузки, короткого замыкания, изменения частоты

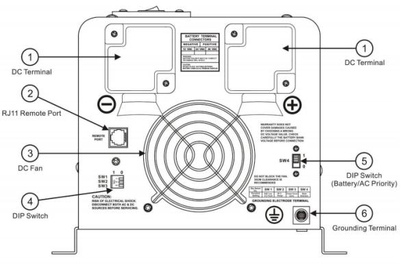
Панель для подключений к инвертору Any Power APS 1012 1000W 12V :

Инвертор для котла Any Power APS 1012 1000W 12V, с внешней батареей, купить, наложенным  платежом, в Киеве, Одессе, Днепропетровске, Житомире, Виннице, с подключением, с доставкой

Ибп гибридный, Any Power APS 1012 1000W-12V, 12 В, 1000 Вт, купить, отзывы, заказать, доставка, Киев, днепропетровск, Одесса, Мариуполь, Ровно, Львов

Условные обозначения:

1. DC Terminal – клеммы для подключения аккумуляторов 12 В
2. RJ11 Remote Port – порт управления RJ11
3. DC Fan – Вентилятор охлаждения инвертора
4. DIP-Switch – DIP-переключатель
5. DIP-Switch (Battery/AC Priority) – DIP-переключатель (Приоритет источника напряжения сети 220В/аккумулятора)
6. Grounding Terminal – Вывод заземления
7. Inverter Output Circuit Breaker – Автоматический выключатель выходного тока инвертора
8. Charger Input Circuit Breaker – Автоматический выключатель питания зарядного устройства инвертера
9. AC Terminal –Вход/ Выход переменного тока
10. Auto Gen Start (Optional) – Порт запуска электрогенератора (опция) 

Мы поможем правильно выбрать и подключить ИБП Any Power APS 1012 1000W 12V   силами наших специалистов. Для получения более детальной информации на бесперебойник для дома, котла,  насоса отопления мощность 1000 Вт Any Power APS 1012 , где купить в Киеве, Днепропетровске, Одессе, Николаеве, Виннице, Житомире и как доставить по Украине звоните по телефонам (096)262-98-48, (063)103-80-04, (044)362-92-50


Повернутися назад