Котел длительного горения, твердотопливный,Огонек КОТВ 16 ДГ, с турбиной и автоматикой

Твердотопливные котлы длительного горения Огонек   Старобельского машиностроительного завода, модели КОТВ-16 ДГ (котел твердотопливный), мощность 16  кВт, отапливает помещение площадью до 160 кв. метров. Угольно-дровяные котлы 

Котлы длительного горения, твердотопливный Огонек, КОТВ 16ДГ, купить, отзывы, цена, Киев, Днепропетровск, Одесса, Винница, Мукачево, Черновцы, Виноградов

Огонек КОТВ-16 ДГ   – это новая усовершенствованная модель котла с ручной загрузкой топлива и турбиной для подачи воздуха и блоком автоматического управления. Особенностью модели Огонек КОТВ-16 ДГ является внешний вид. Форма котла Огонек КОТВ-16 ДГ позаимствована у польских моделей твердотопливных котлов, котел Огонек КОТВ-16 ДГ сконструирован таким образом, что он максимально использует тепловую энергию для нагрева теплоносителя.

Еще одним важным нововведением Огонек КОТВ 16 ДГ являются колосники, которые охлаждаются водой, то есть колосники, также, являются теплообменником (внутри циркулирует теплоноситель). Котел твердотопливный Огонек- КОТВ16 ДГ имеет теплообменник шахтного типа в виде попеременно расположенных водных каналов, это позволяет намного реже производить загрузки топлива. Котел длительного горения Огонек 16 ДГ работает на одной загрузке угля до 10 часов.

Основное топливо: уголь. Альтернативное топливо: дрова, брикеты. Длительность горения на угле может составлять 10 часов (при использовании автоматики и турбины, которые приобретаются отдельно, не идут в стандартной комплектации). Твердотопливные котлы Огонек КОТВ-16 ДГ не уступают по своим характеристикам более дорогим импортным твердотопливным котлам.

Автоматика и вентилятор ATOS (приобретаются отдельно) способствуют увеличению КПД и экономии топлива.

Характеристики котла длительного горения Огонек КОТВ-16 ДГ

Наименование Ед. Значение
Номинальная мощность кВт 16
Отапливаемая площадь кв.метр до 160
Время работы на одной загрузке угля часов до 10
Объем топки котла литр 68
Объём воды в котле литр 55
Диаметр входного и выходного патрубка отопления G 2
Длина  топки мм 500
Температура продуктов сгорания на выходе oC 250
Давление теплоносителя, не более мПа 0,13
Температура теплоносителя oC 50-85
Материал теплообменника Сталь
Вид установки котла Напольный
Габариты (ШхГхВ) мм 460х1050х778
Вес кг 120
Автоматика и вентилятор котла поставляется отдельно
Вид топлива рекомендуемый дрова, уголь, брикеты
Зависимость от электроэнергии энергозависимый
Потребляемая электрическая мощность Вт 80
КПД котла % 80
Гарантия месяцы 36
Производитель Старобельский машиностроительный завод (Украина)

Предлагаем просмотреть видео о котле Огонек КОТВ ДГ-16:

Ниже на рисунке приведено конструктивное исполнение твердотопливного котла Огонек КОТВ-16 ДГ

Котел Огонек,КОТВ,ДГ-16,дг-19,ДГ-28,схема котла,цена,Киев,Одесса,Днепропетровск,Харьков,Старобельск

Котел Огонек, КОТВ 16ДГ, длительного горения, схема топки, цена, цены, купить, наложенным платежом, Киеве, Днепропетровске, Запорожье, Кривой Рог, Кременчуг, Львов

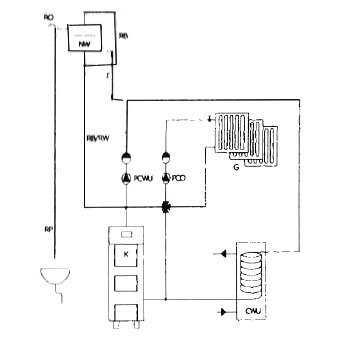
Ниже приведена рекомендуемая схема подключения котла Огонек КОТВ ДГ-16

Котел Огонек,КОТВ,ДГ-16,дг-19,ДГ-28,схема котла,цена,Киев,Одесса,Днепропетровск,Харьков,Старобельск

Твердотопливный котел длительного горения, Огонек, 16 ДГ, 16 кВт, Старобельск, купить, заказать, Киеве, Одессе, Днепропетровске, Житомире, Виннице, Мариуполе

NW-расширительная  емкость при использовании открытой системы; К-котел; CWU-резервуар ГТВ (гарячей технической воды); G-радиатори отопления; РСО-циркуляционный  насос центрального отопления; РСWU-циркуляционый насос ГТВ (горячейї технический води); RW -труба расширительной емкости; RВ-труба безопасности; RO-аэроционная труба; RP-труба перелива

Котлы твердотопливные Огонек выпускаются  разной модификации: простые твердотопливные, с варочной плитой, с водогрейным контуром, с тремя дверцами, турбированые, котлы VIP – с чугунными дверцами и полотенцесушителем. Широкий выбор мощностей позволяет решить проблему отопления любого частного дома, офиса, производства . Кроме того, все модели котлов дровяных Огонек без варочной поверхности, могут быть переведены на сжигание газа. Старобельские котлы КОТВ с успехом отапливают школы, детские сады, гостиницы, фермы, склады, хранилища семян, гаражи, администрации, офисы, больницы и спортзалы. Котлы энергонезависимы, отлично работают при перебоях в электроэнергии. При необходимости отопления площадей больше 1000 м2 можно монтировать несколько котлов в одной системе.

Котел дровяной Огонек в базовой комплектации поставляется без автоматики. Автоматику  твердотопливного котла  Вы можете заказать отдельно – стоимость уточняйте у менеджеров. Заказать котел Огонек КОТВ 16 ДГ   Вы можете через онлайн форму или по телефонам указанным на  сайте www.energomag.net. 

+38(096)262-98-48,+38(063)103-80-04,+38(095)235-49-95

Доставка котла Огонек КОТВ 16 ДГ   в любую точку Украины Новой почтой по предоплате или наложенным платежом.

Если Вы сомневаетесь в выборе или не знаете как выбрать дровяной котел Огонек, мы будем рады Вам помочь.

Звоните, пишите мы Вам подскажем.

 
Повернутися назад